• 首  页
  • 通知公告
  • 行业工作
  • 职业培训
  • 行业动态
  • 展览论坛
  • 《清洁》杂志
  • 国际交流
  • 解决方案
  • 清洁技术
  • 行业专家
  • 行业推优
  • 政策标准
  • 产品备案公示
  • 下载专区
  • 品牌展播
首  页 >> 清洁服务企业国家等级资质 >> 浏览文章

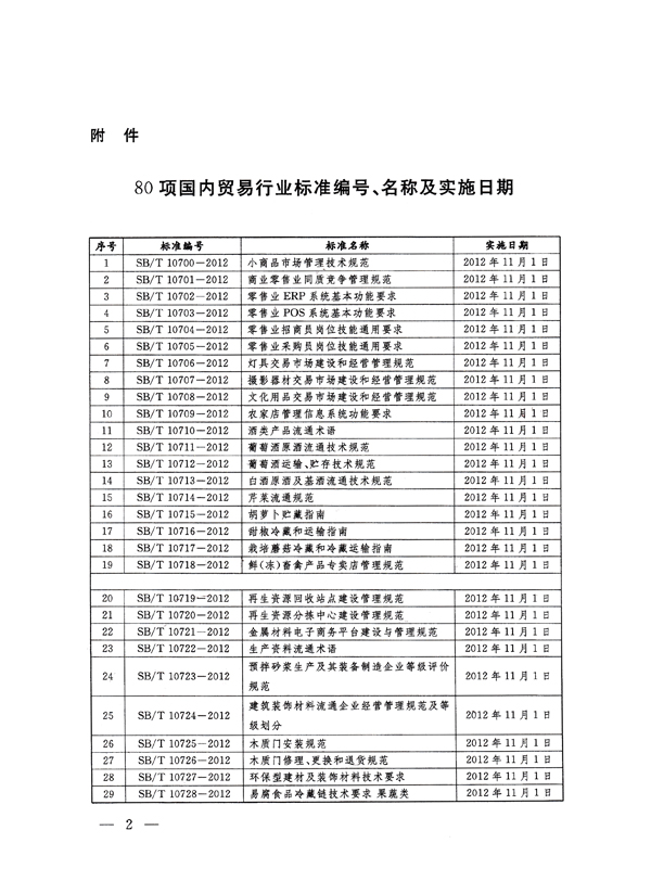
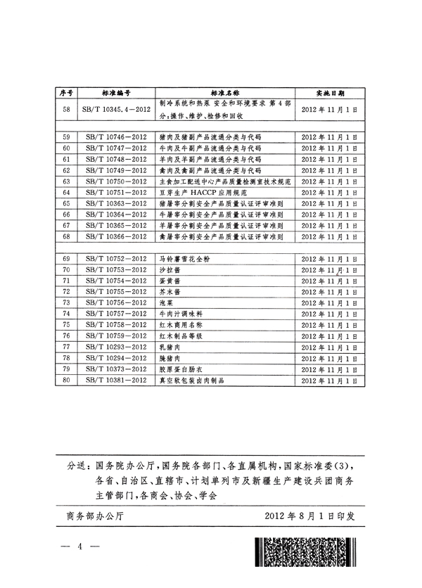
中华人民共和国商务部公告(2012年第47号)1

发布时间:2018-11-01 来源: 点击率:

分享至:
通知公告
  • 关于开展内审员培训-售后服务管理师的通知
  • “清洁工程运维师”授权实操培训基地合作
  • 关于举办首期“清洁工程运维师” 培训考评
  • 关于设立“清洁工程运维师” 实操基地的通
  • 关于开展“清洁工程运维师”教程录制 暨授
  • 关于组建“清洁与维护创新技术课题组”的通
行业工作
  • 清洁产品流通管理规范与供应链认证————
  • 售后服务管理师培训及体系运用 9月24日 下
  • 关于举办 “清洁工程运维师” 培训考评的通
  • “CCIS4000人员能力评价暨清洁工程运维师宣
  • 海陆一体化!合作期16年北海海城环卫PPP项
  • 参编征集 |《清洁环卫环境行业品牌建设评价
  • 垃圾热解炉应用场景解读
  • 社区信息采集服务专业能力评价 | 积极推进
品牌展示

网站首页 | 关于我们 | 联系我们 | 英文版 | 会议室

清洁清洗行业CEO群 117043101  清洁清洗净化技术交流群 117062738  电话:86-010-68470878  传真:86-010-68434104  邮编:100048  邮箱:cpccsc@126.com
版权所有 @ 2009-2012 中国清洁网

中华人民共和国商务部公告(2012年第47号)1