1、概述
随着非金属材料在电讯、电子、机械、化工等行业的广泛应用,其在着色增光的喷漆过程中所产生的苯系列有机废气的净化处理已愈来愈引起人们的重视。吸附催化燃烧净化可谓是一种较为理想的方法。
吸附催化燃烧净化是利用工业废气中污染物可以燃烧的特性,将污染物中含碳氢的化合物,经活性炭吸附浓缩后,在催化剂和较低温度(250~450℃)下进行氧化分解,使其转化为二氧化碳与水蒸汽;或者将分子结构中含有卤素及其他元素的有机物转化成卤化氢、二氧化硫、二氧化氮或其它金属氧化物,再经过吸收等净化措施,将有害气体彻底转化为无害气体的一种净化方法。
吸附催化燃烧的独特优势,使其具有以下特点:
1)、可再生使用。吸附剂饱和后通过脱附,催化剂可通过活化长期使用。
2)、起燃温度低。含烃类物质的废气在通过催化剂床层时,碳氢分子和氧分子分别被吸附在催化剂表面并被活化,因而能在较低温度下迅速完全氧化分解成二氧化碳和水蒸汽,且在达到起燃温度后,无需外界供热,与直接燃烧法相比,其起始温度可低一倍,因而能耗要少得多;
3)、适应浓度、成分范围广。可适用于几乎所有的含烃类有机废气及恶臭气体的治理,可用于众多的有机化工、造漆、涂装、印刷、印铁、家用电器、绝缘材料、油炸食品等行业排放的各种有机废气。
4)、不会造成二次污染。由于净化率一般都在95%以上,加之温度低,能大量减少NOX生成。
2、吸附剂、催化剂的选择
2.1、吸附剂的选择
根据吸附对象的不同,可选用的吸附剂有活性炭,浸渍活性炭,活性氧化铝,浸渍活性氧化铝,硅胶、分子筛,泥煤、褐煤、风化煤,浸渍泥煤、褐煤、风化煤,焦炭粉粒,白云石粉,蚯蚓类。
但用于工业的吸附剂应能满足如下要求:
1)、比表面积和孔隙率大;
2)、吸附能力强;
3)、选择性好;
4)、具有一定的颗粒度,较好的机械强度、化学稳定性和热稳定性;使用寿命长,价格低廉,原料来源充足。
除了以上的要求外,还应考虑吸附质的性质、吸附质分子的大小、吸附质浓度,以及净化要求、吸附剂来源等因素。
目前我司在治理某一苯类有机废气项目时,采用的是活性炭纤维和蜂窝状活性炭共装,以减少系统阻力,增大吸附容量。
2.2、催化剂的选择
元素周期表中过渡族元素及第Ⅷ族元素中的贵金属具有催化氧化的性能,它们及其氧化物常被用作催化燃烧催化剂的活性成分,例如钛、钒、锰、铁、钴、镍、铜、锌的氧化物及铂、钯、钌等。目前国内催化剂可分为贵金属催化剂、复合氧化物催化剂、稀土元素氧化物等三类。贵金属催化剂起燃温度低,资源稀少,价格昂贵,易中毒;复合氧化物催化剂降低了成本,清除效果也很好;稀土元素氧化物具有助催化作用,能提高催化活性及热稳定性。
蜂窝载体是比较理想的载体型式,它具有很高的比表面。压力降较片粒柱状低,机械强度大,耐磨,耐热冲击。
催化燃烧催化剂会发生中毒现象。为防止催化剂中毒,可在废气进入反应器前设废气预处理装置,清除废气中粉尘和毒物,并定期进行再生和清洗等。
3、吸附催化燃烧工艺
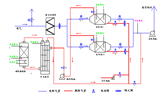
从喷涂车间来的含有漆雾、有机溶剂的废气,首先进入净化系统的预过滤器,进一步除去漆雾。除去漆雾后的有机废气,进入1#活性炭吸附床,利用活性炭将有机废气吸附下来。吸附可使有机废气净化效率高达95%以上,经吸附净化的废气可直接排放。
当设置于活性炭吸附床出口管内的有机废气浓度监测装置显示,有机废气浓度即将超标时,2#活性炭吸附床自动开启,对废气进行吸附;而1#活性炭吸附床废气进出伐门关闭,而脱附进出口伐门自动开启,转入有机废气脱附过程。此时,脱附风机、催化燃烧床内的电加热器同步开启。脱附气在活性炭吸附床、脱附风机、热交换器、催化燃烧床等设备间管道内闭路循环。通过控制脱附过程流量,将有机废气浓度浓缩10-20倍。脱附气体经催化床内设的电加热装置加热至300℃左右时,在催化剂作用下起燃。催化燃烧过程净化效率可达97%以上。燃烧后生成CO2和H2O并释放出大量热量,热量可通过热交换器回收,用来预热进催化燃烧床的脱附气。一般达到脱附~催化燃烧自平衡过程须启动电加热器1~2小时左右,达到热平衡后可关闭电加热装置。此后,催化燃烧系统就靠废气中有机溶剂燃烧时产生的热能,在无须外加能源基础上使催化燃烧达到自平衡。当脱附气中的有机气体燃烧完毕后,其催化燃烧床温度会逐渐下降至200℃左右,即可视为催化燃烧过程结束,系统仃止运行。
整套吸附和催化燃烧过程由PLC实现自动控制,系统内装有阻火伐、浓度监测仪、烟火喷灭装置等。为了防止活性炭吸附床温度过高发生自燃,补充催化燃烧所需要的空气,系统内装有补冷风机。
考虑到净化系统需要维修,在漆雾预过滤口器前加装有旁路排空管路。
净化工艺流程图如下:

苯类有机废气吸附-脱附-催化燃烧净化装置流程图
